Marine Bronze Valve Manufacturing Expert
Salt Fog Corrosion Solution for Marine Systems
▷ Military-grade bronze, passed DNV/CE/ISO 96-hour seawater corrosion test
▷ Unique triple-seal design, pressure resistance up to 25MPa
▷ Anti-seize valve stem, 100,000 open/close cycles with zero failure
▷ Customizable with classification society certification, 72-hour emergency delivery
Leveraging 12 Years of Naval Bronze Valve Expertise to Deliver Reliability in Shipbuilding Systems
Made with continuous-cast C95800 marine bronze, our valves withstand 25MPa pressure and 200°C steam. The patented triple-seal design with graphite-reinforced packing and laser-welded seats ensures zero leakage through 100,000+ cycles. DNV-GL/ISO 15848-1 FT2 certified, each component endures 5,000-hour salt spray testing—equivalent to 20 years offshore.
Bronze Gate Valve
Full-bore design for high-pressure isolation in ship piping systems.
Cast from naval bronze (C95800) with nickel-plated stem for seawater corrosion resistance. DNV GL certified, 25Bar max working pressure. Designed for ballast water and fuel oil lines.

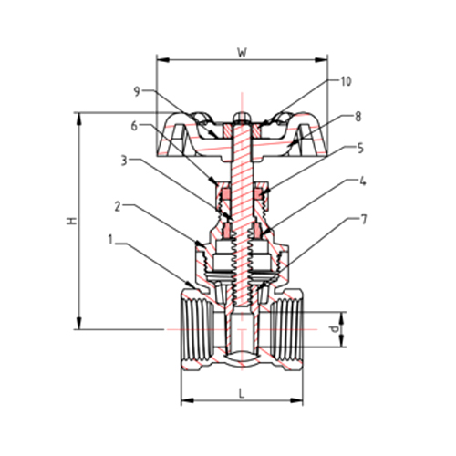
Bronze Gate Valve Details

Materials List
NO  Part Name  Material
1  Body  C83600
2  Bonnet  C83600
3  Stem  H57-3
4  Lock cap  H57-3
5  PTFE  PTFE
6  Gland Nut  H57-3
7  Disc  C83600
8  Handwheel  Q235
9  Mattress  Aluminum
10  Nut  Q235
Dimensions List
NPS D H L W
1/2" 13 75 40 54
3/4" 16 83 45 54
1" 24 96 48 61
11/4" 30 115 52 61
11/2" 36 131 60 70
2" 45 141 72 83
Bronze Ball Valve
Quarter-turn operation with anti-misalignment lock.
Three-piece deck-maintainable design. Super-finished ball (Ra≤0.4μm). CCS-class approved. -20℃~150℃ temperature range.

Bronze Ball Valve Details

Materials List
NO  Part Name  Material
1  Body C83600
2  Bonnet C83600
3  Valve ball H57-3
4  valve seat PTFE
5 valve rod H57-3
6  Handle Q235
7 Nut Q235
8 PTFE PTFE
9  Pressing cap H57-3
10 Gasket Q235
Dimensions List
NPS D H L W
1/2" 15 52 50 124
3/4" 18 54 55 124
1" 23 62 64 124
11/4" 30 66 73 124
11/2" 37 87 83 147
2" 47 95 101 147
Bronze Air Release Valve
Eliminates air pockets to prevent system cavitation.
Dual-stage venting, 16Bar max pressure. NBR float with stainless shaft. Passes ±30° tilt test.
Bronze Globe Valve
Tapered plug for accurate flow adjustment.
Trapezoidal stem threads with graphite packing. 20,000-cycle durability. ISO 15761 compliant for steam tracing lines.

Bronze Globe Valve Details

Materials List
NO  Part Name  Material
1  Body C83600
2  Bonnet C83600
3 Stem H57-3
4 PTFE PTFE
5 Gland Nut H57-3
6 Handwheel Q235
7 Mattress aluminum
8 Nut Q235
Dimensions List
NPS D H L W
1/2" 14 66 48 54
3/4" 15 66 52 54
1" 18 77 62 61
11/4" 24 90 70 61
11/2" 28 102 80 70
2" 38 123 90 83
Bronze Strainer
Removable screen enables pump-on maintenance.
80-mesh 316L screen with magnetic plug. 3x pressure tested. For ship cooling water systems.

Bronze Strainer Details

Materials List
NO  Part Name  Material
1  Body C83600
2 Bonnet C83600
3 Filter screen SS304
4 Gasket PTFE
Dimensions List
NPS D H L W
1/2" 15 38 60 26
3/4" 20 46 70 32
1" 22 54 82 38
11/4" 28 62 94 47
11/2" 38 72 105 54
2" 46 89 130 66
Dora.chen@fvluoky.com
F&V Group - Since 2011 · ISO/TS/DNV Certified Bronze Valve Manufacturing Factory
  • 15μm

    Surface roughness
  • 98%

    Customer repeat rate
  • 300
    +
    System types​​​​​​​
  • 5,000h

    Salt spray testing
  • 48h

    Emergency response
  • 0.0015mm³/s

    Leak rate
F&V Certificate
Certified Bronze Valve Manufacturing Excellence
 DNV-GL Certified Production Process
CE & China CCS Dual Compliance
ISO 9001/TS 22163 Certified Factory
  • We conduct triple verification:
    ① 5,000-hour salt spray test under DNVGL-CP-0091 standard (equivalent to 20 years of service)
    ② Intergranular corrosion report of C95800 alloy from a third-party laboratory
    ③ Cathodic protection compatibility certificate from Norwegian classification society
  • For DNV standard valves:
    48-hour express delivery: 2,000 sets of maritime-grade stock at the Wales bonded warehouse
    72-hour custom production: Flexible production line + laser additive manufacturing emergency channel

  • We achieve a 30% cost optimization through vertical integration:
    In-house C95800 alloy smelting workshop (no middleman markup)
    Fully automated gravity casting line (qualification rate 98.7% vs industry average 92%)
    Ningbo/Liverpool dual bonded warehouses (reduces 25% in logistics and customs duties)

  • Our global warranty mechanism includes:
    ① Emergency service team arriving at the site within 48 hours
    ② Priority allocation of replacement valves (faulty parts must be retained)
    ③ Root cause analysis report (provided within 10 working days)

Contact Us For A Free Quote
联系我们
We use cookies to enable all functionalities for best performance during your visit and to improve our services by giving us some insight into how the website is being used. Continued use of our website without having changed your browser settings confirms your acceptance of these cookies. For details please see our privacy policy.
×